Chevy Silverado and GMC Sierra Forum banner
21 - 40 of 49 Posts
Discussion starter · #21 ·
Chevy-SS said:
I would be tempted to try this method in the video below (be sure to watch the last two minutes, haha). I watched the whole video and I posted a comment/question about the little $30 piece that he spliced in.... was it a resistor or just a piece of wire? If it's just a piece of wire, I think I might try it on my own truck for a little preventive maintenance.

Have you tried any of the assorted methods yet?

Thanks for the video. Now I am thinking I have a Passlock II.

I did not try any of the methods. I'm hesitant to just start clipping wires based on any of the videos I've seen. I've learned a lot from YouTube experts in the past, but so far on this issue, none of these Passlock videos seem to be based on expert opinion. Just people hacking around without real knowledge or explanation. I found one expert who clearly explained the various Passlock modes but nothing about how to fix or bypass.

So anyway, I got it running today. I did a standard 30-minute re-learn procedure. 10 minutes in ON position, then OFF for 15 seconds, then try to start. Repeat three times. It started after third attempt. Maybe the hall-effect sensor drifted out of spec and a re-learn was all that was needed. It's my understanding that the Passlock module and the BCM can get out of sync somehow over time... maybe because of a worn out ignition switch?

Time will tell and I'll update this thread as needed in the future.

Thank you everyone.
 
Discussion starter · #22 ·
Well, the joy didn't last. Tonight, I got the "security" lamp again while driving, which does not stop the engine, but it means there is still a problem somewhere.

According to what I've managed to figure out, the various Passlock bypass solutions that involve cutting wires and/or installing resisters are not a true elimination or bypass. It's just a bypass of the ignition switch. At this point, I don't even know what version of Passlock is on this truck or how to determine.

Please, looking for anyone with some solid information about how to troubleshoot or bypass the 2000 Silverado Passlock. Meanwhile, my YouTube and Google research continues.

Thank-you!
 
I contacted this guy below (Richard Berger). He has a old web site with some Passlock solutions here: http://www.bergerweb.net/

I sent him an email about your truck (2000 Silverado with remote start).

Below is his reply:

"All solutions are off the table as long as there are aftermarket remote start, or aftermarket alarm systems. All of those systems modify the Passlock wiring, and most are not documented. If you have the installation manual for the remote start, you may be able to remove the wiring for that system, and modify the original G.M. using a resistor in the circuit. If you have any experience in electronics, I would suggest you start by getting a shop manual for your Silverado. I believe the online manuals from AlldataDIY.com are your best bet. The contain the theft control wiring diagrams, and a subscription is less than $30.00"

If it was me, I'd offer to pay the guy $50 or $100 for some guidance (if this isn't enough guidance already). I would certainly start by trying to remove the remote starter and return the system to stock. If you're lucky, you have the remote starter instructions. If you can do that, then it sounds like this guy has a solution. Hope this helps.
 
Chevy-SS said:
I contacted this guy below (Richard Berger). He has a old web site with some Passlock solutions here: http://www.bergerweb.net/

I sent him an email about your truck (2000 Silverado with remote start).
I really appreciate the effort you put into this and it was very educational.

It seems that all the confusion out there stems from the fact that people are conflating the terminology... VATS, Passkey, Passlock, etc. and all the various versions of these systems used on GM cars and trucks over several decades.

1. I have a 2000 Chevy Truck... which means this can only be a PASSLOCK II system. There is NO resister in the key and the head of the key does NOT contain a radio transponder. There is NO special computer or Passlock "box" under the dash. The Passlock II system is comprised of a hall-effect sensor system containing a specific resistance value that is sent back to the BCM when the key is turned.

2. In order to use a remote start without tripping the Passlock II security system, it must be installed with a relay and resistor or some other type of bypass that tricks the Passlock II system into thinking a key is turning the lock. Electrically, this is the same as the resistor bypass being installed between the two wires except that the remote start is using a relay to temporarily remove the ignition switch sensor and insert a resistor into the circuit.

3. The resistor value (resistance measured when the key is in the run position) needs to be within 5% of whatever value is stored in the BCM. Otherwise, you would need to do a re-learn procedure. Many sources are saying "any value" for this bypass resistor (and do a re-learn) but it needs to be within a range, and right now I cannot locate the values of the range. It's a moot point as I think getting as close as possible to the actual measured value would be best.

2012-06-13_202020_res.png


  • I also found this article online. Note that the bypass circuit diagram on that site incorrectly shows the resistor connected to the key switch instead of the BCM. It's also claiming that the Passlock II needs to be reprogrammed after loss of battery power even when the resistor is permanently installed. What if your resistor matches the original value from the factory programming? After loss of power, does it just revert back to the factory value? I try to avoid loss of battery power since it really messes up the custom settings in my aftermarket stereo.
    [/*]
  • Another article about Passlock, but this one contains a list of vehicle models/years.
    [/*]
  • Article here about the various Passlock versions.
    [/*]
  • Article about how Passlock works
    [/*]
  • This article claims "all GM trucks from 98-on" have Passlock
    [/*]
  • Passlock II wiring diagram[/*]

At this point, since doing a re-learn, I have had no failures that have stranded me. However, there have been several instances of the security light coming on while driving or right after starting the truck, both with and without using the remote start. This tells me that something is likely wrong in the remote start security bypass wiring. The shop that installed this remote start had done some pretty shoddy wiring on the trailer plug and aftermarket radio so nothing would surprise me. So far, I've personally rewired everything this shop has done except the remote start (they didn't even bother to install the hood safety switch).

Once winter is over, my plan is to inspect the wiring of the remote start to see how it implemented its bypass. Then I will read the resistance of the existing ignition switch circuit and install a permanent bypass resistor of the same value. Ideally, if I can match the resistor value, I can avoid a re-learn, and hopefully any future relearns every time the battery goes dead. At this point, with a permanent bypass installed, I can remove whatever bypass is being implemented by the remote start since the resistor is effectively telling the BCM there is a key inserted at all times.

I will post updates as needed. Thank you Chevy-SS for sending me enough information to fill in the gaps.
 

Attachments

On my 02 that I got used, I spent several hours removing about a hundred flippin' Scotchlocks and taping up wires to remove an aftermarket alarm and remote start.
One thin that could be said for the alarm is that it would 100% eliminate theft, because the truck wouldn't run. I bought it in '08 or so with 175k on a Duramax diesel and rebuilt Allison tranny because they got tired of the towing bills. After removing all the aftermarket crap, replacing the ignition switch and rebuilding the filterhead I drove it to 390k when I sold it.
 
Discussion starter · #27 ·
Something I forgot to add to my last post, but cannot edit, is about the key.

4. Since Passlock II really has nothing to do with the key, "trying another key" is pointless. The Passlock II key is an ordinary cut key without a resistor pellet or radio transponder. The key is merely a mechanical device for freely turning the lock cylinder. As long as the key releases the lock pins to rotate the cylinder, Passlock II does not care. Passlock II is not looking at the key at all.

All of the Passlock II magic is within the lock assembly. Passlock II uses resistors, magnets, and magnetic hall effect sensors within in the lock itself that only sense when the cylinder is rotated to send a specific signal to the BCM. Different resistance values are used to make the signal unique to each vehicle, hence the need to re-learn whenever a new ignition lock is installed or the system is bypassed with an arbitrary resistor.

Passlock II was only intended as a way to thwart thieves that force the switch to turn by breaking or removing the ignition cylinder.
 
Thanks Sparky, we made that diagram too quickly! I have updated the pic on our site. Note that there is no 'factory default' for the Passlock II resistance. It is either stored in the BCM, or it is not. If none is stored it will trigger the system to require a relearn to operate the vehicle. There is no backup battery, so a complete loss of system power long enough to discharge the BCM circuits will reset the value and require a relearn.
 
Discussion starter · #29 ·
Tradecraft said:
Note that there is no 'factory default' for the Passlock II resistance.
I never called it "default".

Tradecraft said:
... a complete loss of system power long enough to discharge the BCM circuits will reset the value and require a relearn.
This is where I'm confused. Reset the value to what? The initial value from the factory that matches the lock? If so, that's what I would call the "factory" value, or maybe let's say "initial" value.

If loss of battery power completely wipes out the stored value no matter what, then anyone with a passlock II system would need to do a re-learn simply by temporarily removing their battery. As annoying and troublesome as Passlock II can be, I cannot believe GM also designed it to strand people after changing their battery.

Otherwise, I've removed the battery on several occasions over the last couple years and not once did any of those instances trigger a security light or require a re-learn of the security system after restoring power. So the stored initial factory value seems to somehow survive a complete loss of power to the BCM, which is what one would expect. I had to completely re-program the @!#$! radio each time, but that's another story.
 
Maybe some vehicles DO have a backup battery, but it goes dead in older vehicles. Which would explain why some people encounter it and some dont?
There is no ''initial" value. It is null.... void.... nothing. Remember that in digital programming, a null value is ALSO a value. That is the default.
 
On the assembly line, the BCM's were pre-programmed up to the 'accept value' step such that just applying power the first time stored the lock cylinder resistance value automatically. No default or 'factory' value was ever needed. TRUE factory value was a null setting in the BCM before it is powered.

*sorry double post.
 
Really the whole Passlock 1 and 2 systems were really horrible for security. Its mostly just smoke and mirrors with the affect of security to make people feel better. For instance, the Passlock 2 system will still work perfectly if the lock cylinder is drilled to turn freely, such that the Hall Effect sensor aligns with the magnet, and the ignition switch rotates at the end of the lock cylinder. The system is not that much better than a keyed lock, because that is still really where the security lies. Except Passlock 1 where the resistor was in the key, that was different.
The only thing it DOES do is make it a pain for owners :)
 
as a further note just for reflection... I have replaced BCM's in vehicles and it did not change the fact they needed a relearn after power disconnect. So if there is a backup battery, it is NOT in the BCM itself. I wish someone would chime in for sure whether a backup power supply exists, and if so in what vehicles? I'm lazy and don't feel like pulling out the books or my Tech2 lol
Realistically, it would not have cost GM too much to put in a backup battery. All CPU's in computers have them since the dawn of the PC. But we all know the bean-counters at GM would have been like "$.00002 per vehicle! no way!"
 
Discussion starter · #35 ·
Tradecraft said:
so that when first powered, the BCM will read the resistance of the lock cylinder. No 'initial' value was required.
That's also what I am saying... the "initial" value IS the resistance of the lock cylinder read by the BCM when first powered up. I'm not arguing there is a magical default... just referring to this initial learned value as the "initial value from the factory" since that describes where it came from.

Tradecraft said:
I have replaced BCM's in vehicles and it did not change the fact they needed a relearn after power disconnect.
Maybe they needed a re-learn because the whole BCM was completely replaced, and the stored values went away with it, not because it lost power.

Tradecraft said:
Maybe some vehicles DO have a backup battery, but it goes dead in older vehicles. Which would explain why some people encounter it and some dont?
EEPROM

I have never heard of a battery backup in a vehicle's BCM, PCM, ECM, etc. If you don't know for sure, maybe that part of your online article should be researched and corrected or clarified.

I'm reading from various sources that the BCM uses an EEPROM to store values. By definition, EEPROMs retain their memory without power, which is why for example, you would need to program the VIN when the BCM is replaced, and never when the vehicle's battery is changed.

Likewise, Passlock would not require a re-learn whenever the battery is changed.

Anyway, thank you for talking it through with me.
 
I have actually heard of battery backups in some uses.... just because you have not heard of it does not make it true :). If you actually read our article you can see we do not say for certain, only based off of experience. I'm not trying to criticize anyone here or say something someone heard is not true, just presenting how the system works and what we have learned over the years. That doesn't make our knowledge foolproof, as we repeatedly say on our site :)
For clarification, those BCM's needed relearned after power was again removed after INITIAL programming. Yes, replacing the BCM will ALWAYS require a relearn, whether manually or with a Tech2 tool. Unless you get really really lucky and the BCM you are putting in is somehow preprogrammed with both the Passlock 2 output and the vehicle VIN.
One more clarification: no, there is no 'initial' value, even for factory BCM's. Let us say you buy a new one, programmed for your VIN and ready to install. Even a BCM pre-programmed up to step 5, where it has not yet been powered on in the vehicle. These all have a null value for the Passlock 2 setting. What you are calling an 'initial' setting is only the first setting that is placed into the system. If this setting is cleared, the revert is null. There is only a setting added after power up; no default, no initial, no factory setting for the program to revert to.
Regarding the EEPROM: I think you will find that some date is stored on the EEPROM, but some is CMOS. For instance the VIN requires a 'flash' because it is hard-coded. They don't want you to be able to easily change that in any way, even with a scan tool. The Passlock code is changeable, and as far as I can tell does not require a re-flash. you can even change just that value with a TECH2.
 
Another possible solution might be that some years of vehicles stored the data differently. Perhaps some years store it permanently by writing it to the chip, and some only store it in temporary memory. I suppose without a GM engineer or someone who has worked on every year of PassLock II it is hard to say. I cannot find any positive documentation one way or the other.
 
Well, I dug into it and might have found the issue.

The Cause?

Any after-market remote start needs a Passlock bypass of one kind or another. Most commonly when "professionally" installed, they include a Passlock bypass circuit using relays so Passlock is only bypassed when the remote start is triggered and Passlock remains intact for normal key use. That is not what was done here.

I bought the truck from my friend who owned it since new, and he had the radio, remote start, trailer wiring, and trailer brake module "professionally" installed by a local shop years ago. These guys were total hacks and I've already had to fix the crappy radio wiring and completely rewire the trailer plug and electric brake module. Basically everything they touched was a bubble gum and scotch-lock job.

So it was no surprise what I found. Instead of installing a Passlock bypass circuit dedicated to the remote start, they installed a resistor bypass effectively deleting Passlock without telling the owner of the truck. My friend had no idea that they did this.

Electrically, it was installed correctly, but look at overall lack of workmanship; and there is literally no reason to have two resistors in series here. The resistance value is practically irrelevant as you would perform a Passlock re-learn anyway. After un-taping this mess and driving for a couple days, it literally broke apart in my hands at the junction of the wire lead into the resistor. Thinking this break was hanging by a thread for a long time; it might explain my intermittent troubles... I've read that only a 10% difference in actual value as compared to the BCM stored value will trigger Passlock error codes.

IMG_8021.jpg


-------

The Fix:

The bypass I had planned on installing is mostly the same as what I found already in place. But I used a new heavier ½-watt resistor, with better solder connections, encased in epoxy heat-shrink, and cleaned up the wiring.

1. I used a 2,200 Ω, ½-watt, 5% tolerance resistor and soldered it between the Yellow and Orange/Blk wires going back to the BCM.

2. Most all online Passlock bypass diagrams show cutting only the "Signal" wire and just tapping into the "Ground" wire. Preservation of the other two wires is completely pointless. You are BYPASSING the magnetic Passlock sensors at the lock cylinder so as soon as you cut the Yellow signal wire, the other two wires are 100% obsolete. The sensor has been fully bypassed and there is nothing else there that uses these three wires. Unplugging the Passlock sensor and successfully starting the engine confirms this, as does physical inspection of the factory wiring.

3. Since I installed a new resistor with a different value, I had to perform the 30-minute re-learn procedure as described below. And yes, the new Passlock value is stored in non-volatile BCM memory that persists without power or battery backup.

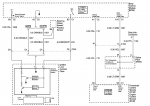
The wires and connection to the Passlock sensor are rendered obsolete once the resistor is in place. Completely cut the two wires where you will install the resistor. When done, you only need the resistor and its two wires going into the BCM as highlighted in yellow, the rest of the wires can be abandoned or removed:
PasslockWiring.png


New resistor soldered between the Yellow (Signal) and Orange/Blk (Ground) in heat shrink. These are the two wires going back to the BCM.
IMG_8024.JPG


Unplugging the Passlock sensor and successfully starting the engine confirms the bypass is successful, demonstrating these 3 wires and Passlock sensor are not in use:
IMG_8023.JPG


-----

Explanation of the three wires in the generic Passlock wiring diagrams.

Actual colors as per my truck, not the generic diagrams.

Yellow - Passlock "Signal". This is cut off and connected to the Passlock ground wire through the bypass resistor.
Orange with Black stripe - Passlock "Ground" wire. This is cut off and connected to the Passlock signal wire through the bypass resistor.
Red with White stripe - Passlock 12 VDC to the sensor. No longer needed... the Passlock sensor has been bypassed.

It literally does not matter what you do with the wires that go back to the Passlock sensor. I left my 12 VDC wire intact and the Passlock connector in place, and I taped off the other two. I could have just as easily cut all three and removed the Passlock connector entirely. The resistor bypass renders the harness to the Passlock sensor obsolete.

-----

30-minute Passlock re-learn procedure:

1. Turn key to ON and attempt to start. Car will not start but leave key ON for 10 minutes. Security light flashes for 10 minutes and goes off.
2. Turn key to OFF position for 15 seconds.
3. Turn key to ON and attempt to start. Car will not start but leave key ON for 10 minutes. Security light flashes for 10 minutes and goes off.
4. Turn key to OFF position for 15 seconds.
5. Turn key to ON and attempt to start. Car will not start but leave key ON for 10 minutes. Security light flashes for 10 minutes and then it should stay on.
6. Turn key to OFF position for 15 seconds.
7. Turn key to ON and attempt to start. Engine should start. New Passlock code was saved in BCM and Security light should be off.
8. Clear out the computer codes.
 

Attachments

vpasla1 said:
This doesn't personally affect me, but I had to comment on how well done and thorough the solution was documented. Bravo!
After all the time I spent sifting through crappy YouTube videos and misinformation, the least I could do was provide some clarification and details based on this experience. (A huge thanks to Chevy-SS Dave for sending me some really good reference materials)

Under extreme magnification, I could see that the lead that broke off the original resistor started cracking a while ago. There is a very tiny shiny spot on the edge, maybe less than 20% of the cross-section of the lead, where it finally broke free. I'm pretty sure this connection was so thin that tiny changes in temperature and humidity was causing an erratic Passlock signal.

Also, here is a better bypass schematic for a 2000 Silverado, with bypass resistor marked in yellow:
2000-Silverado-Passlock-bypass.png


Original for reference:
2000-Silverado-Passlock.png
 

Attachments

21 - 40 of 49 Posts